Y-Flanschlagereinheit FYC 35 TF SKF

0108026

7316570199918

SKF

FYC 35 TF

FYC 35 TF SKF

35mm

135mm

36.4mm

STK

Auf Lager

10 Werktag(e)

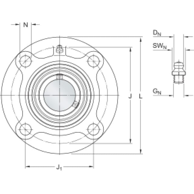
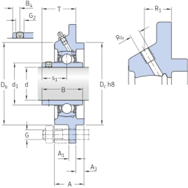
Kugellagereinheit mit Rundflansch, mit breitem Innenring und Gewindestiftbefestigung, Gusseisen, JIS-Normen

Diese Kugellagereinheiten mit Rundflansch erfüllen die japanischen Industrienormen (JIS). Sie bestehen aus einem Spannlager mit breitem Innenring und Gewindestiftbefestigung und sind für Anwendungen mit konstanter oder wechselnder Drehrichtung geeignet. Das Lager ist in einem Gehäuse montiert, das mit einer Maschinenwand oder einem Rahmen verschraubt werden kann. Kugellagereinheiten nehmen mittlere Schiefstellungender Konstruktion auf, lassen in der Regel aber keine axiale Verschiebung zu.

- Beständig gegen starke Verunreinigungen
- Ausgelegt für hohe Temperaturen und Drehzahlen
- Aufnahme relativ hoher Belastungen
- Kostengünstig