Unternehmen
Karriere
News
Über Uns
Nachhaltigkeit
Unsere Geschichte
Standorte
Kontakt
Anmelden oder Registrieren
DEXIS GRUPPE
Belgien
DEXIS BELGIUM
IMES DEXIS
CENTRAL AUTO DEXIS
DUVIVIER DEXIS
ELTEC DEXIS
Deutschland
DEXIS Germany
Nölle+Nordhorn
Rala
Safeline
Frankreich
DEXIS France
DEXIS BFC
DEXIS BFL
DEXIS Boutillon
DEXIS CETIP PORTRON
DEXIS DEMAY LESIEUR
DEXIS DISTRILAB LOLL
DEXIS HUDRY JALLUT
DEXIS LE VULCAIN
DEXIS PAYS-DE-LOIRE
DEXIS NOYER SAFIA
DEXIS SAFIM
DEXIS SLM
DEXIS TAMPLEU SPRIET
ECMU-CSR
FLI
RYO AFFUTAGE SERVICES
TUB-FLEX
Italien
ATI DEXIS
CCRE DEXIS
EBI DEXIS
FAIT GROUP
Niederlande
DEXIS Netherlands
HVO DEXIS
Österreich
DEXIS AUSTRIA
Portugal
Sintimex
Slowakai
DEXIS SLOVAKIA
HYDRAFLEX DEXIS
Spanien
DEXIS IBERICA
Tschechien
DEXIS Czech Republic
Vereinigtes Königreich
Hayley Group
Hayley 24/7
Lamond & Murray
Online Shop
Services & Lösungen
C-Teile Management
E-Procurement
Predictive Maintenance
Willkommen
Online Shop
Antriebstechnik
Kettenradscheibe
Kettenradscheibe
Zurück
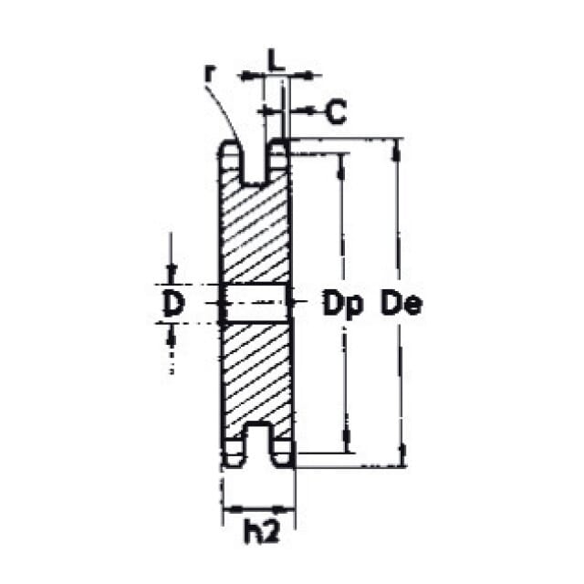
Kettenradscheibe DIN 8187/ISO R606 2-fach
Artikel Nr.:
0707096
Herst.:
CD12014
Bezeichnung:
KRS 16 B-2 Z=14
D 2-fach:
20
D 3-fach:
20
De:
125,0
STK
Warenkorb
Nicht auf Lager
21 Werktag(e)
Produktbeschreibung
Alle Spezifikationen
Varianten
Verwandte Produkte