Gelenkkopf SA 25 C SKF

0104153

7316577002617

SKF

SA 25 C

SA 25 C SKF

25mm

65mm

20mm

STK

Auf Lager

10 Werktag(e)

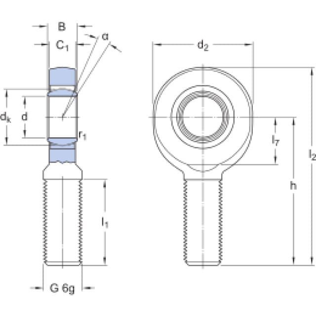
Gelenkkopf, wartungsfrei, abgedichtet, Außengewinde

Diese SKF Gelenkköpfe bestehen aus einem Gelenklager mit Stahl/PTFE-Sinterbronze-Gleitpaarung. Das Lager ist wartungsfrei. Das Außengewinde ist als Links- (Vorsetzzeichen SAL) und Rechtsausführung erhältlich.

- Lange Gebrauchsdauer
- Wartungsfrei
- Geeignet für hohe, einseitig wirkende Belastungen
- Niedrige Reibungszahl
- Einfach und einbaufertig